Retour page d'accueil du site "www.prof-mpk.fr"

 

********************************************************************************

La continuité pédagogique vise, en cas d’éloignement temporaire

d’élèves ou de fermeture d’écoles, collèges et lycées, à maintenir un lien pédagogique

entre les professeurs et les élèves, à entretenir les connaissances

déjà acquises par les élèves tout en permettant l’acquisition de nouveaux savoirs.

********************************************************************************

Pour les élèves de TTU, je vous propose des activités et je vous demande de me faire un retour de votre travail pas mail à l'adresse suivante:

marcel@prof-mpk.fr

***********************************************************************

Semaine 12 / du 16 au 20 mars 2020

Avant de faire le travail demandé, je vous propose d'étudier le document suivant ( nous l'avons déjàs étudier en cours).

C'est la suite de la préparation de l'épreuve E11 (4H), Construction + Cotation GPS)

Cotation GPS

Plan pour une étude de localisation: Bras G et D reprise parabole

On demande: travail à rendre pour mercredi 25 mars 2020 minuit au plus tard, par PDF ou par photo.

Sur une feuille format A4, représentez la localisation pour les deux taraudage M5 sur la surface de référence (D) comme sur la page 21

du dossier ressource "Cotation GPS)

Attention,

il faut faire la même chose que sur la page 21 (toute la page avec la représentation des plans.....),

Comme ce que l'on a fait en cours les dernières séances.

***********************************************************************

Vendredi 20 mars 2020, C'est le printemps

Voici un lien vers une vidéo en deux parties sur l'usinage d'une pièces pour le moteur Stirling.

C'est vidéo est intéressante....pour l'épreuve E2 (Technologie)

L'usinage est réalisé sur la fraiseuse HAAS avec l'axe A.

Plan de la pièce: "Support Palier"

Vidéo 1/2

Vidéo 2/2

Pensez au travail à rendre.

Bonne journée.

***********************************************************************

Semaine 13, Lundi 23 mars 2020

J'attends votre travail....vous avez jusqu'au mercredi 25 mars...au travail...

***********************************************************************

Correction du 25 mars 2020, Localisation.

Correction localisation "Bras G et D reprise parabole"

Travail à rendre le "Mercredi 01 avril 2020"

Pièce pour l'exercice: Flasque

APEF

Contrat de phase

Correction de votre travail

Repérage des surfaces

Contrat de phase

Travail à rendre le "Mercredi 08 avril 2020"

Complétez les documents sur la mise en position isostatique: Feuille 1 et 2

Correction de votre travail (Première partie de la norme)

Le travail demandé était a faire avec "La deuxième partie de la norme"

Travail à rendre le "Mercredi 15 avril 2020"

Pour la semaine prochaine, répondez correctement, réalisez la mise en position isostatique selon la deuxième partie de la norme

Documents de cours "Isostatisme, deuxième"

Documents de cours "Diaporama isostatisme"

Feuille 1 et 2

 

Pour le retour des vacancres...euh non...Vacances des semaines 17 et 18

Travail à rendre le "Mercredi 06 mai 2020"

Une petite étude (de première) de fabrication: "Bride douille Axe Z"

 

Pour la Semaine 21

Travail à rendre le "Lundi 25 mai 2020"

Questions divers pour la productique: ICI

Pour la Semaine 23 et 25

Vidéo "Toupie Sphérique"

Dossier d'étude

 

 

 

 

 

 

 

 

 

 

PHOTOS TABLEAUX COURS EN VRAC

APEF 1

Centrage long

Cotation GPS 1

Cotation GPS 2

Cote outils et cote fabriquées

Début étude de fabrication

Etude de phase 1

Filetage taraudage

Localisation

Niveaux en X Y et Z

Niveaux en X et Z

Repérage surfaces et suite opérations

Repérage et phases

Repérages des surfaces 1

Repérages des surface 2

Repérages surfaces mors étau

Repérages surfaces 2A

Repérages surfaces 3

Repérages surfaces 4

Suite opération 2

Suite opération 3

Suite opération 4

Suite opération 5

Suite opération 6

Tolérance géométrique

******************************************************

Document de cours des élèves de T TU pour l'année 2019 / 2020

******************************************************

*********************2019 / 2020***********************

Septembre 2019

Technologie:

*******************************************

Livres indispensables, Attention, c'est des gros fichiers, il faut un peu de temps pour les télécharger

Guide du Dessinateur Industriel

Memotech Productique

*******************************************

Semaine 37

Etude de fabrication

Semaine 38 à ......

La cotation GPS

 

**************************

**********Atelier**********

**************************

TP SW/EFICN : On demande

TP1 : TP2 : TP3 : TP4 : TP5 : TP6 : TP7 : TP8/1 : TP8/2

TP9 : TP10 : TP11 : TP12 : TP13

TP FR CN HAAS : On demande

TP2 : TP3 : TP5

TP1/S4 : TP3/S2 : TP6 : TP7

 

TP TR CN HAAS : On demande

TP1 : TP1S2 : TP2

TP ETUDE DE FAB : On demande

TP2 : TP6 : TP4 : TP7 : TP5 : TP6Bis

TP PROGRAMMATION PUPITRE : On demande

TP1/TR : TP2/TR

TP2/FR : TP3/FR : TP4/FR

 

TP TR CV : On demande

TP1 : TP4

 

TP FR CV : On demande

TP2 : TP3

Documents pour les TP

Fiche Activité élève vierge

Fiche de suivi de production

Fiche APEF, Contrat de phase

Norme ISO 2768

Tableau des AJUSTEMENTS

 

 

 

 

 

******************************************************

Document de cours des élèves de 1 TU pour l'année 2018 / 2019

******************************************************

***********************2018 / 2019*********************

Rentrée le mardi 4 septembre 2018

Jeudi 6 septembre:

- Préparation rapport de stage

-Vendredi 7 septembre:

- Présentation du rapport de stage

 

Semaine 36 à semaine 42:

Rotation d'une série de TP en :

-SW/EFICN ( SolidWorks et FAO d'Eficn)

-FR CN Haas ( Fraiseuse à commandes numérique)

-FR-CV (Fraiseuse conventionnelle)

-TR-CV (Tour Conventionnel)

 

DOCUMENTS VIERGES POUR REDACTION ETUDE DE FABRICATION

 

Tableau des ajustements

Normes ISO 2768

Fiche de suivi de production

Contrat de phase vierge

Contrat de phase vierge, uniquement la zone rédaction des opérations avec lignes

Contrat de phase vierge, uniquement la zone rédaction des opérations sans lignes

 

ETUDE 1, SEMAINE 38

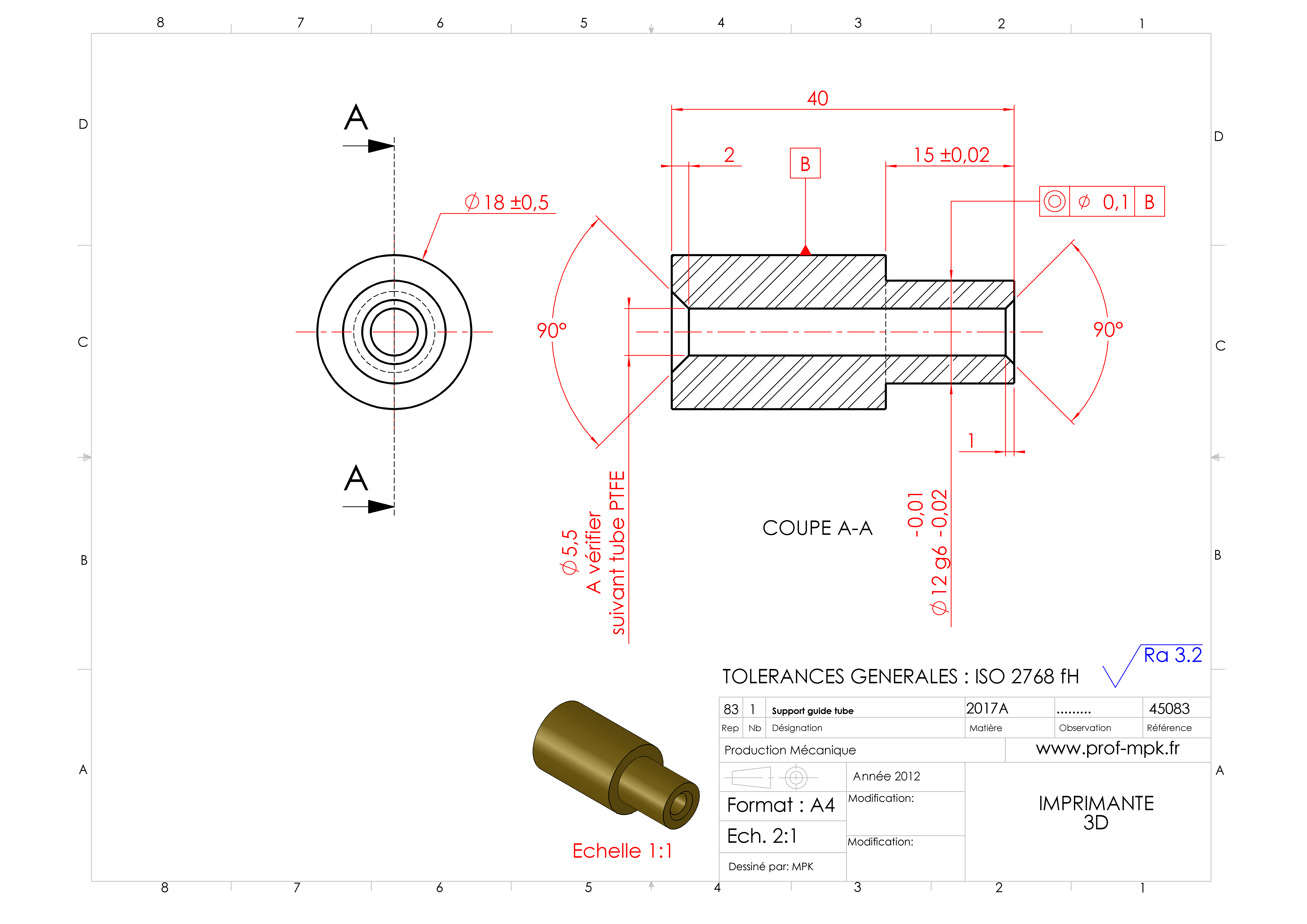
Support guide tube (45083)

Contrat de phase support guide tube, zone dessin

ETUDE 2, SEMAINE 39

Plan de détail, Piston d'éviction (Moteur stirling)

Correction étude de phase du piston d'éviction

ETUDE 4, semaine 40

Présentation (page de garde et page 2)

Plan de détail (page1)

Plan pour le repérage des surfaces (page3)

Fiche de suivi de production (page 4)

Fiche APEF (page 5)

 

 

Correction étude 4

Page 1 : Page 2 : Page 3 : Page 4 : Page 5 :

 

ETUDE 5 , travail à rendre le vendredi 19 octobre 2018

Calcul temps d'usinage 1

Calcul volume 2

 

 

TP NOVEMBRE et DECEMBRE 2018

TP VIERGE

EFICN

TP EFICN 1

TP EFICN 2

TP EFICN 3

TP EFICN 4

TP EFICN 5

Etude de fabrication

TP ETUDE FAB FR 1

TP ETUDE DE FAB TR 2

Fraisage CN

TP FR CN 1

TP FR CN 2

TP FR CN 3

TP FR CN 4

Fraisage CV

TP FR CV 1

TP FR CV 2

Pupitre Haas

TP PUPITRE TR 1

Tournage CV

TP TR CV 1

TP TR CV 2

Evaluation Semestre 2: Etude de fabrication

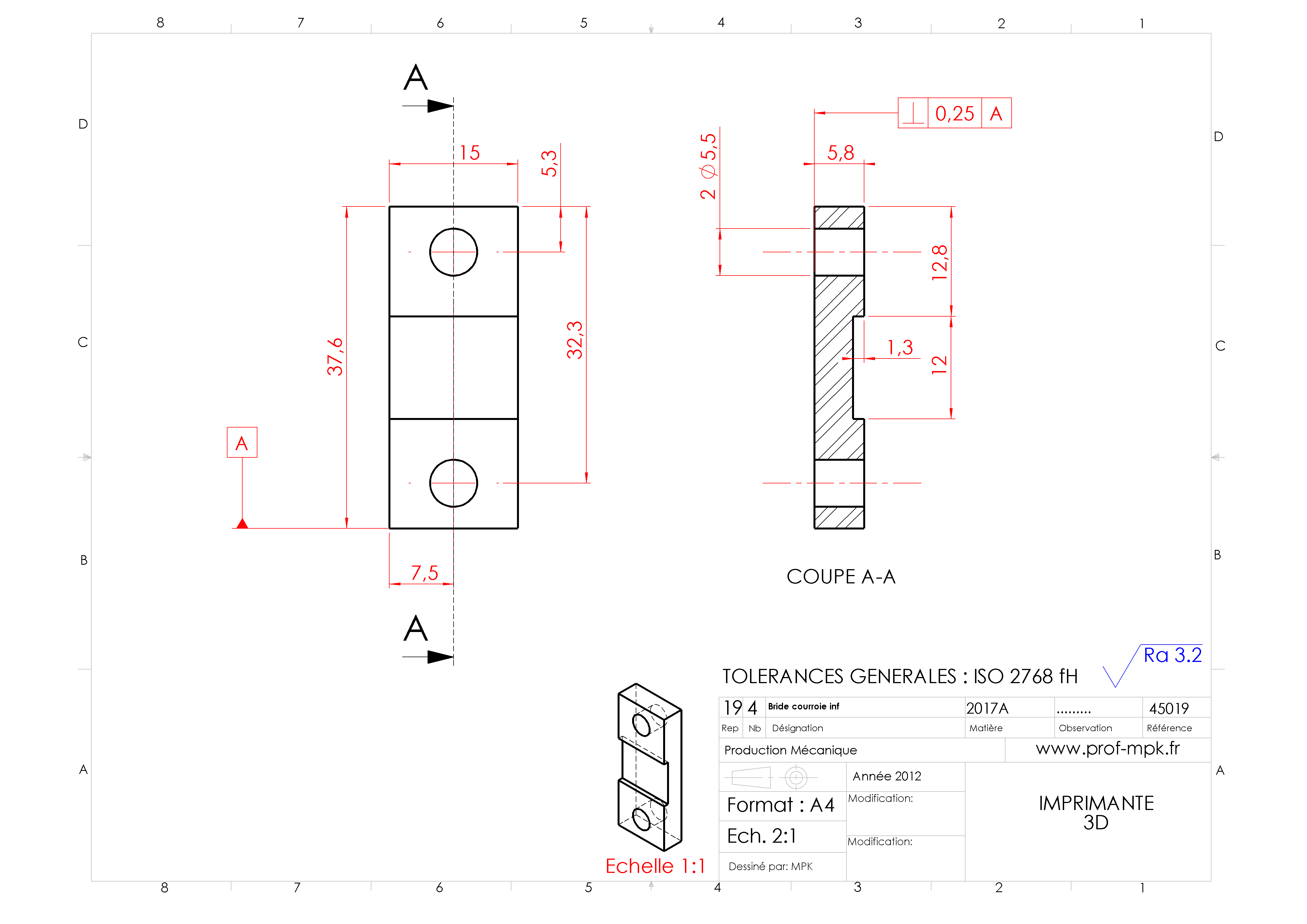
Bride étau : Sujet

Bride étau : Correction

 

Evaluation du Vendredi 5 avril 2019

REP 91: Imprimante 3D (Réalisation sur machine conventionnelle)

Sujet format PDF

Correction

 

 

 

 

 

 

 

 

 

 

 

**********************2TU***************************

*******************2017 / 2018************************

*****************************************************

*****************************************************

*****************************************************

Document de cours des élèves de 2 TU pour l'année 2017 / 2018

*****************************************************

*****************************************************

Semaine d'intégration du lundi 4 septembre au vendredi 8 septembre 2017.

 

Lundi 11 septembre 2017

LA PHOTO DE LA CLASSE "2 TU" en fin de semaine d'intégration est disponible sur le planning de classe.

Jeu de piste dans le lycée Jean Monnet

Diaporamas sur la sécurité

Correction "Diaporamas sur la sécurité"

Septembre 2017

Les machines outils (cinématique, architecture)

Doc prof en PDF: ici

Doc élèves en PDF : ici

Octobre 2017

Perpendicularité: Prof / Elève

Parallélisme: Prof / Elèves

Planéité: Prof / Elèves

Novembre 2017

TP 1 tournage initiation

TP 1 fraisage initiation

TP 1 SW-EFICN initiation

Technologie:

La génération de surfaces "doc élèves"

La génération de surfaces "doc Prof"

Repérage des surfaces

Fiche de relevé de cotes

Exo 1, Pièce N°1

Exo 2, Pièce N°2

Norme ISO 2768

Fiche APEF

Fiche Contrat de phase

Etude de la coaxialité

Document élèves

Document Prof

************************************

Janvier/février 2018

************************************

Atelier

Mise en oeuvre d'une fabrication en tournage: PT1 S1,"Petite boite étanche".

Mise en oeuvre d'une fabrication en fraisage, TP2 S1,"Bride d'étau".

TP SW/EFICN: TP13 S4

TP Etude de fabrication: TP11 S4

TP FR CN: TP1 S4

Etude de fabrication:

Contrat de phase REP 19 imprimante 3D

Contrat de phase vièrge

Correction contrat de phase REP 19

Rep 19 détail

REP 19 Repérage des surfaces

REP 19 Avec talon pour contrat de phase

 

Mars 2018

Isostatisme:

Cas généraux Power Point

Mise en position première partie de la norme, Document élèves

Mise en position première partie de la norme, Document Prof

Semaine 11

Mauvaise mise en position ISOSTATIQUE

Bonne mise en position ISOSTATIQUE

EXO de mise en position ISOSTATIQUE

CORRECTION EXO de mise en position isostatique

Etude de fabrication: REP 91, Reprise moteur imprimante 3D