Document de cours des élèves de 1 TU pour l'année 2011 / 2012

 

1 TU 2011 / 2012

.....Séance 1.... EVALUATION 2h et plus...

Sujet de l'évaluation "Retour des grandes vacances, après 1 ans de formation, j'ai retenu..."

Correction de l'évaluation..... A VENIR.. après le contrôle.

Séance du jeudi 22 septembre 2011

1/4h contrôle "perpendicularité "Rep 24"

Séance du 6 octobre 2011

Pour la révision avant le contrôle sur la COAXIALITE "Document élève" / "Document prof" sur pièce REP 10 "Axe rotation X gauche

Pour le contrôle "Document élève"

Suite étude "contrat de phase" REP 24

Séance du 13 octobre

Cas généraux isostatisme "Document PPT"

Révision isostatisme "Document PPT"

Document cours élèves, Document cours prof.

Séance du jeudi 3 novembre 2011

Étude programme "cylindre de refroidissement" :

Programme CN / Dossier de fabrication

Dossier "La programmation ISO"

Séance du jeudi 10 novembre 2011

Étude dossier de fabrication " Volant G et D Moteur STIRLING"

Plan de détail du volant et plan pour recherche des point pour la programmation.

Dossier de fabrication avec phase 10, 20 et 30

Programme de la phase 10 Tournage CN HAAS

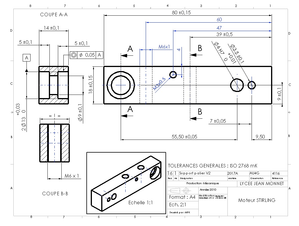
Séance du jeudi 17 novembre 2011

Étude dossier de fabrication "Support STIRLING"

Plan de détail "Support palier"

Support palier pour repérage

Dossier de fabrication phase 10,30, 30, 40, 50

Programme 1 FR CN HAAS

Programme 2 FR CN HAAS PDF / . / TXT

QUESTIONS sur document en PDF / . / XLS

Séance du Jeudi 24 novembre 2011

CCF BLANC

Dossier Technique "Cylindre de travail"

Plan de détail "Cylindre de travail"

Repérage des plans "Cylindre de travail"

Programme "Phase 20" / "Phase 30"

Questions pour le contrôle " QUESTIONS"

Séance du Jeudi 7 décembre 2011

Etude trajectoire outil Fraisage CN HAAS (REP 19 Reprise moto Réducteur axe Z version 2)

Programme REP 19 en PDF / REP 19 en .PUB

Plan de détail et plan pour le tracer de la trajectoire

RETOUR DE STAGE "LUNDI 23 JANVIER 2012"

Jeudi 26 janvier 2012

Etude de fabrication "REP 8 / Bras gauche et droite support parabole"

Dossier "Etude de fabrication QUESTION REP 8 "

Programme "CN FR HAAS REP 8"

Jeudi 8 mars 2012

C15 Gestion de production

Approche globale des méthodes de gestion de production

Document élèves / Document prof

Jeudi 15 mars 2012

Exo 1 Gestion de production "Cylindre de refroidissement" du Moteur Stirling

Jeudi 22 mars 2012

Exo 2 Gestion de production "Pignon"

Jeudi 29 mars 2012

EXO 3 Gestion de production " Stator"

Jeudi 3 mai 2012

Correction Etude de fabrication "REP 6 Parabole motorisée: Capuchon blocage Roulement axe Z"

Fiche "de rédaction APEF et Contrats de phase"

Jeudi 10 mai 2012

Contrôle Rédaction phase 30 "REP 15"

Correction travail maison

Correction gestion Prod "Etude temps usinage" REP 15