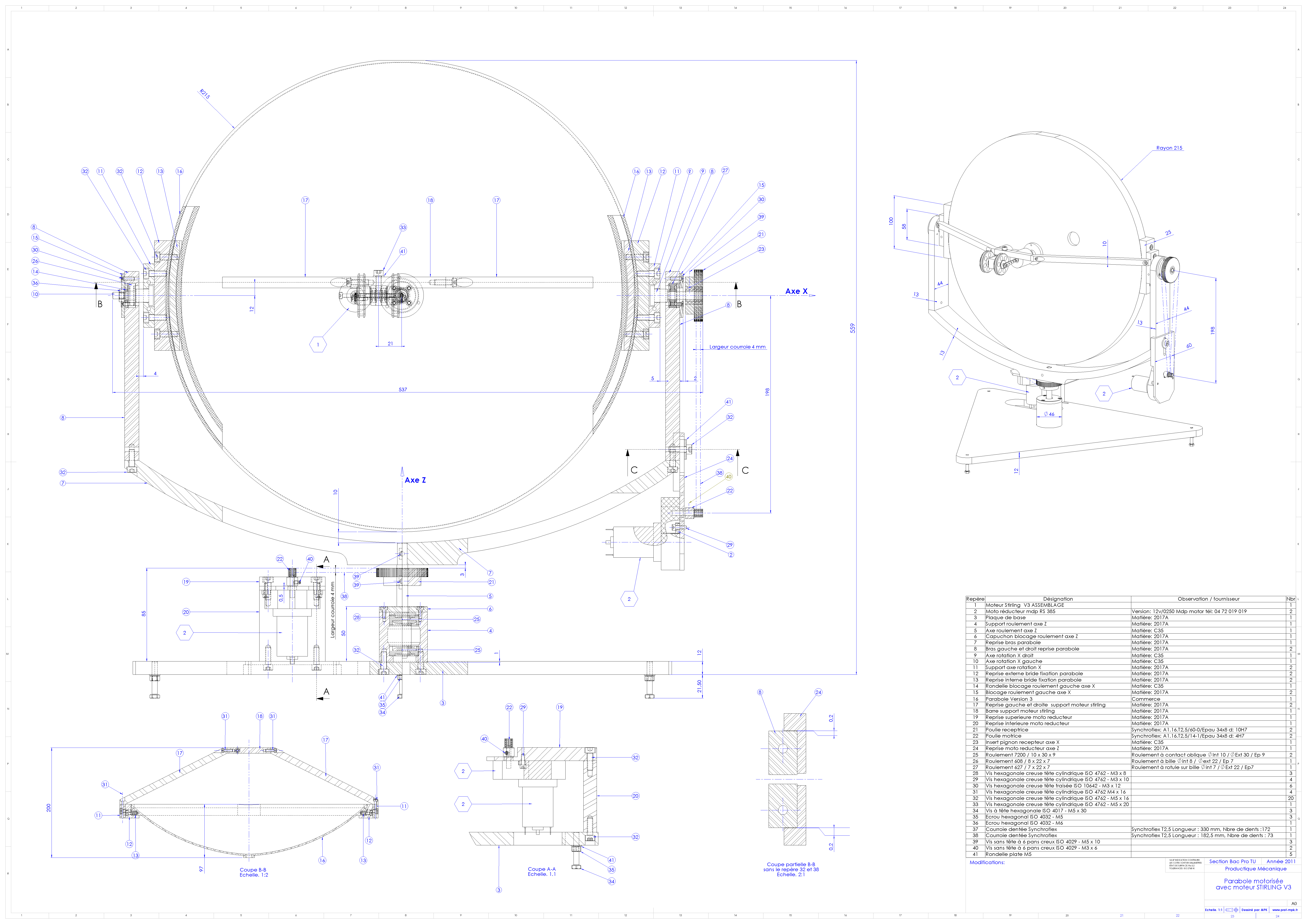
PARABOLE MOTORISEE "FORMAT A0"

Plan d'ensemble Parabole Motorisée
32